当前位置: 首页 > 项目案例 > 绿色能源化工案例 > 20000吨/年绿色甲醇项目

绿色能源化工案例-20000吨/年绿色甲醇项目

20000吨/年绿色甲醇项目,采用生物气化、甲烷+CO2重整、电解水制氢等工艺制取甲醇合成所需的CO、H2、CO2的原料气,原料气经过一系列的单元处理后, 采用一氧化碳加氢的方式合成甲醇,合成的甲醇用于船舶燃料或化学原料。

20000吨/年绿色甲醇项目,采用生物气化、甲烷+CO2重整、电解水制氢等工艺制取甲醇合成所需的CO、H2、CO2的原料气,原料气经过一系列的单元处理后,采用一氧化碳加氢的方式合成甲醇,合成的甲醇用于船舶燃料或化学原料。



生物质气化联合CH4+CO2重整耦合电解水制氢合成甲醇工艺流程



★  工艺流程由五个部分组成:


1、生物质原料气处理(包括脱硫、脱不饱和烃、脱氧工艺)方案

2、CO变换工艺方案

3、脱碳工艺方案

4、甲醇合成工艺方案

5、精馏工艺方案


★  工作范围:


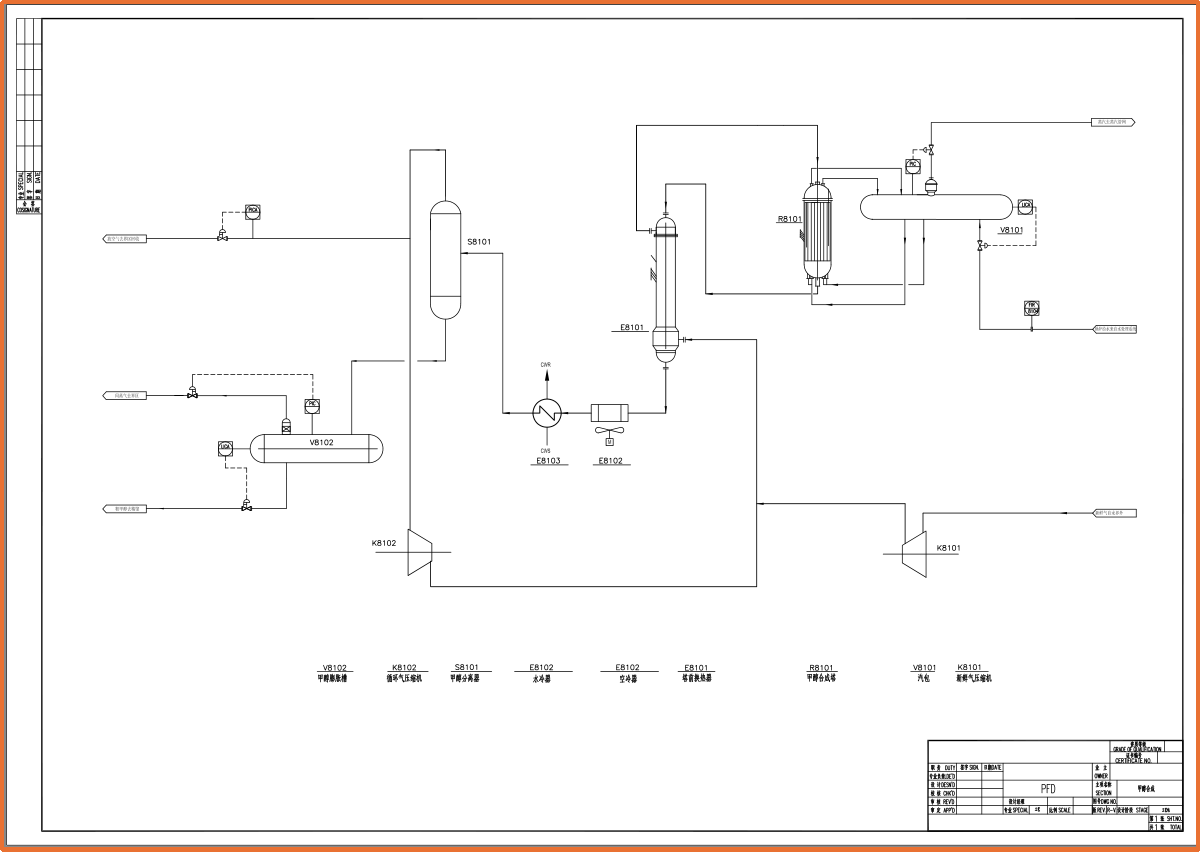
甲醇合成整个装置界区包括从原料、辅助原料及公用工程进入界区开始,到产品送出界区为止所需的所有工艺生产设施。合成系统主要包括:合成气压缩系统、甲醇合成回路系统。

装置规模: 20000吨甲醇/年

年开工时数:8000小时

操作弹性:50%~110%

系统设计压力:5.8MPa (G)

合成塔操作压力:5.0~5.5MPa (G)



甲醇合成工艺流程

预约咨询

CONSULT

  • *  姓名
  • *  邮箱
  • *  联系电话
  • *  咨询
隐私协议
×

平台信息提交-隐私协议

· 隐私政策

隐私协议隐私协议隐私协议隐私协议隐私协议隐私协议隐私协议隐私协议隐私协议隐私协议隐私协议隐私协议隐私协议隐私协议